Автоматичні вимикачі ВА04, ВА06, вимикачі навантаження ВН.
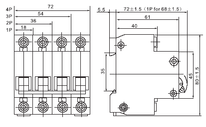
Автоматичні вимикачі з вимикальною здатністю 4 кА розраховані на використання у розподільних щитах житлових та промислових приміщень, а також як пристрої прямого включення різноманітного обладнання. Використовують як захист від струмів короткого замикання та захист від перенавантаження (тепловий захист). При комплектації додатковими приладами можливе використання системи з дистанційним керуванням.
|
|
|
|
| Кількість полюсів | Номінальний струм, А | Крива відключення | Вимикальна здатність, кА |
| 1 | 1; 2; 3; 4; 6; 10; 13; 16; 20; 25; 32; 40; 50; 63 |
C | 4 |
| 2 | |||
| 3 |


| Тип | Призначення |
| ВА04БК | Блок-контакт стану вимикача |
| ВА04НР | Незалежний розчеплювач, 220В |
| ВА04РММ | Розчеплювач максимальної та мінімальної напруги (280/170 В) |
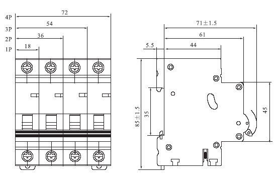
Автоматичні вимикачі з вимикальною здатністю 6 кА розраховані на використання у розподільних щитах житлових та промислових приміщень, а також як пристрої прямого включення різноманітного обладнання. Використовують як захист від струмів короткого замикання та захист від перенавантаження (тепловий захист). При комплектації додатковими приладами можливе використання системи з дистанційним керуванням.
![]() |
![]() |
![]() |
| Кількість полюсів | Номінальний струм, А | Крива відключення | Вимикальна здатність, кА |
| 1 | 1; 2; 3; 4; 6; 10; 13; 16; 20; 25; 32; 40; 50; 63 |
C | 6 |
| 2 | |||
| 3 |


| Тип | Призначення |
| ВА06БК | Блок-контакт стану вимикача |
| ВА06НР | Незалежний розчеплювач, 220В |
| ВА06РММ | Розчеплювач максимальної та мінімальної напруги (280/170 В) |
Застосовуються в системах електропостачання для подачі та зняття напруги під навантаженням. Використовуються разом із автоматичними вимикачами або запобіжниками.
| Кількість полюсів | Номінальний струм, А | Номінальна напруга, В |
| 1 | 16; 25; 32; 40; 63; 80; 100 | 240/415 |
| 2 | ||
| 3 |
Продукція
Підтримка
Корисне